Hoofdstuk 8: Pneumatische tekeningen

Hoofdstuk 8: Pneumatische tekeningen

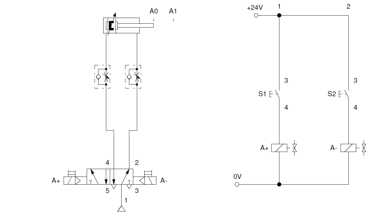
8.1 Stopper (geleide cilinder)

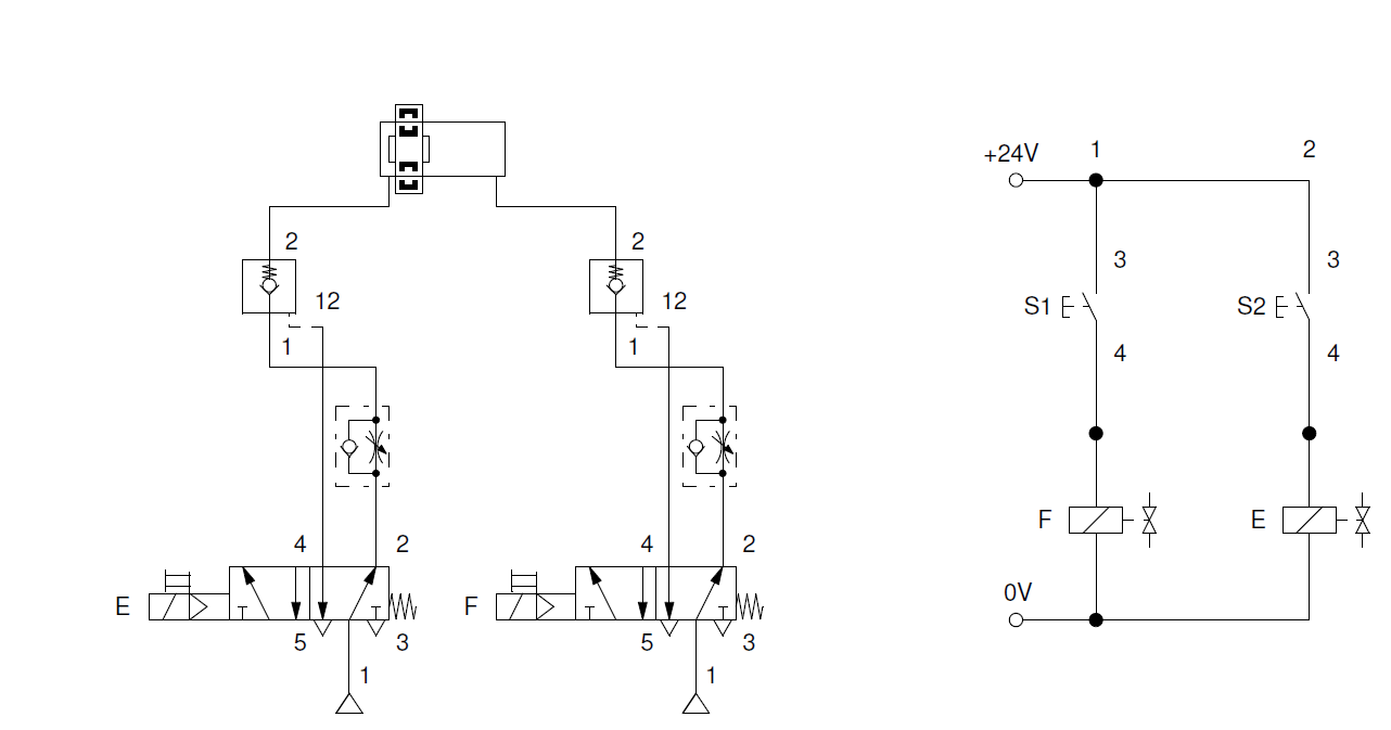
8.2 Zuigerstangloze cilinder (lintra)